Skip to content Skip to sidebar Skip to footer

How To Find Equivalent Resistance In A Complex Circuit : They are often drawn in such a way that makes it difficult to follow which components are in series and which are in parallel with each other.

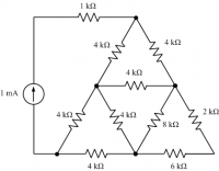
How To Find Equivalent Resistance In A Complex Circuit : They are often drawn in such a way that makes it difficult to follow which components are in series and which are in parallel with each other.. The purpose of this section is to show you a method useful for redrawing circuit schematics in a neat and orderly fashion. This is the currently selected item. Parallel resistors (part 1) parallel resistors (part 2) parallel resistors (part 3) practice: Let us calculate the equivalent resistance for the below circuit which consists of 7 resistors r1 = 4 ω, r2 = 4 ω, r3 = 8 ω, r4 = 10 ω, r5 = 4ω, r6 = 2 ω and r7 = 2ω.the supply voltage is 5 v. I tried to solve it by simplifying series resistance and then passing current through a and b to apply for kirchoff's 2nd law.

The circuit so formed will exactly resemble as the wheatstone's bridge with a resistor in place of a galvanometer (which is commonly used for checking slightest of the current passing through it). In this topic on how to calculate equivalent resistance, we have to simplify the circuit elements. Next, we would proceed to calculate the parallel equivalent of that resistance (r 2 //r 3 —r 4) with r 5, then in series with r 7, then in parallel with r 6, then in series with r 1 to give us a grand total resistance for the circuit as a whole. A circuit may contain many series and parallel connected elements. Most answers will be determined using this equation.

Resistors In Parallel Resistor Applications Resistor Guide
Resistors In Parallel Resistor Applications Resistor Guide from eepower.com
When you want to determine a resistance or an impedance across some connections, you connect a test current source i t (the stimulus) which produces a response v t across the terminals. The equivalent resistance can be measured in either a series or parallel circuit. The equivalent resistance represents the total effect of all resistors in the circuit. The core intent of this tutorial is to show that how to compute equivalent resistance of a complex circuit using matlab. The purpose of this section is to show you a method useful for redrawing circuit schematics in a neat and orderly fashion. Always find symmetry in the circuit.i have solve similar problem. This is where kirchhoff's circuit law comes in handy, which allows you to calculate both the current and voltage for complex circuits with a system of linear equations. It explains how to calculate the equivalent resistance of complex circ.

Identifying types of resistor combinations.

The equivalent resistance can be measured in either a series or parallel circuit. In order to find equivalent resistances you should visualise the flow of current through the circuit visualising will make the problem quite easy to solve. Therefore, the two circuits are equivalent. It explains how to calculate the equivalent resistance of complex circ. R t = r 1 + r 2. They are often drawn in such a way that makes it difficult to follow which components are in series and which are in parallel with each other. Solving a circuit with series and parallel resistors. I have a problem which asks for finding equivalent resistance of a circuit which cannot be simplified to a simpler circuit by mere observation. Solving method for electric circuit problems such as to find equivalent resistance between points a and b in a circuit is explained here. Link is given below you can watch for more better explanation 335 views Z 1 = r 1. The equivalent resistance represents the total effect of all resistors in the circuit. First we should know about it.

Use the ohm's law equation (δv = i • r) often and appropriately. First we should know about it. From above circuit, we can set up the following equations: When you're building a complex circuit that includes bridges or t networks, then you can't solely rely on ohm's law to find the voltage or current. An electric circuit, is a network made by electric components (resistors, capacitors, inductors, etc.) that are interconnected.

Resistors In Series And Parallel Physics
Resistors In Series And Parallel Physics from s3-us-west-2.amazonaws.com
How do you analyze a circuit with resistors in series and parallel configurations? Now the resistors r6 and r7 are in series combination. Which can be solved for r t o t: Solving method for electric circuit problems such as to find equivalent resistance between points a and b in a circuit is explained here. Z 1 = r 1. An electric circuit, is a network made by electric components (resistors, capacitors, inductors, etc.) that are interconnected. First mark the points at the junctions as 1,2,3,4 respectively from left to right. This is where kirchhoff's circuit law comes in handy, which allows you to calculate both the current and voltage for complex circuits with a system of linear equations.

From above circuit, we can set up the following equations:

Always find symmetry in the circuit.i have solve similar problem. Solving method for electric circuit problems such as to find equivalent resistance between points a and b in a circuit is explained here. When you're building a complex circuit that includes bridges or t networks, then you can't solely rely on ohm's law to find the voltage or current. First mark the points at the junctions as 1,2,3,4 respectively from left to right. A circuit may contain many series and parallel connected elements. This tutorial goes over an example finding the equivalent resistance of a complex circuit with many series and parallel resistors. Here equivalence solved for resistance, it can also be applied to capacitance and impedance. From the above equations ((1) and (2) the current is found. The purpose of this section is to show you a method useful for redrawing circuit schematics in a neat and orderly fashion. They are passive devices that utilize electricity. R t = r 1 + r 2. Resistor comprises two junctions with which the current passes in and out of it. The core intent of this tutorial is to show that how to compute equivalent resistance of a complex circuit using matlab.

Most answers will be determined using this equation. Identifying types of resistor combinations. Each other through wire conductors. Resistor comprises two junctions with which the current passes in and out of it. Well, i guess this post turned itself into a reminder why you shouldn't try this in an exam.

Solved Determine The Equivalent Resistance Of The Complex Chegg Com
Solved Determine The Equivalent Resistance Of The Complex Chegg Com from d2vlcm61l7u1fs.cloudfront.net
The resistance is simply r = v t i t. The circuit so formed will exactly resemble as the wheatstone's bridge with a resistor in place of a galvanometer (which is commonly used for checking slightest of the current passing through it). They are often drawn in such a way that makes it difficult to follow which components are in series and which are in parallel with each other. Identifying types of resistor combinations. Plug the values you found into this formula to solve for total resistance. Z ≈ 14.81 ∠ − π / 2. First we should know about it. Therefore, the two circuits are equivalent.

I tried to solve it by simplifying series resistance and then passing current through a and b to apply for kirchoff's 2nd law.

The equivalent resistance can be measured in either a series or parallel circuit. Now whenever you have two resistors in parallel and if they have the same value the equivalent resistance will simply be half of that value, so the equivalent resistance is going to be 5 ohms. Transform a combination circuit into a strictly series circuit by replacing (in your mind) the parallel section with a single resistor having a resistance value equal to the equivalent resistance of the parallel section. First add resistor 3 and resistor 4 which are in series down a branch. I have a problem which asks for finding equivalent resistance of a circuit which cannot be simplified to a simpler circuit by mere observation. Therefore, the two circuits are equivalent. I have arranged all the steps in the below drawings with a small intermediate eet in between. Z ≈ 14.81 ∠ − π / 2. The core intent of this tutorial is to show that how to compute equivalent resistance of a complex circuit using matlab. This is the currently selected item. Resistor comprises two junctions with which the current passes in and out of it. How to find equivalent resistance in a complex series parallel resistors circuit? Solving a circuit with series and parallel resistors.

For example, a series circuit is powered by a 12 volt battery, and the current is measured at 8 amps how to find resistance in a circuit. I have a problem which asks for finding equivalent resistance of a circuit which cannot be simplified to a simpler circuit by mere observation.